
Тонкий поворотный энкодер типа 12 — это особый тип или серия тонких поворотных энкодеров, используемых для определения угла поворота, положения, скорости или направления.
Бренд:
GangyuanПредмет номер.:
GE1202-D1-F8.8/2-24PЗаказ (MOQ):
100Оплата:
100% T/T Before ProductionПроисхождение продукта:
ChinaЦвет:
Black and WhiteПорт доставки:
WenZhou/ShenzhenВремя выполнения:
7-14 Working Days For PaymentШирина
14.00mm x 13.20mmТип монтажа
Through Holeосвещение
Non-llluminatedIP-рейтинг
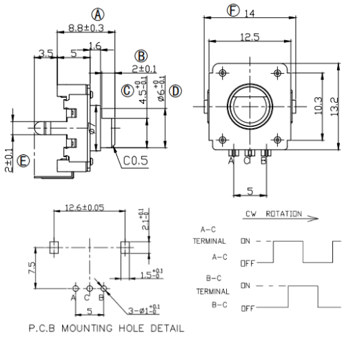
No IP RatingEC12 Механический поворотный энкодер для монтажа на панель в сквозное отверстие
Параметры
Тип: Вертикальный поворотный энкодер без кнопочного переключателя
Диапазон рабочих температур: от -40±2 °C до +70 °C
Диапазон температур хранения: от -40 °C до +85 °C
Направление вращения вала: 24P
Разрешение: 24 импульса/360°
Количество и положение фиксаторов: 24 фиксатора
Рисунок
Что такое инкрементальный энкодер?
Инкрементальный энкодер — это датчик, который определяет относительное положение, направление и скорость вращающегося вала путем выдачи импульсных сигналов (например, фазы A и фазы B).
Он не может напрямую предоставлять информацию об абсолютном положении, но обладает такими преимуществами, как простота конструкции, низкая стоимость и высокая скорость отклика. Он широко используется в промышленной автоматизации,
управление двигателями, контрольно-измерительные приборы и другие приложения, где требования к абсолютному положению не высоки.
• Пульс обычно использует 12 и 24
• Длину и форму сердечника вала можно выбрать
Если Вы заинтересованы в наших продуктах и хотите узнать больше деталей, пожалуйста, оставьте сообщение здесь, мы ответим вам, как только мы Can.
Категории
новые продукты
Сквозное отверстие Dip 4-полюсный тактовый переключатель 6*6 Читать далее
Тактильный переключатель Micro SMT под прямым углом Читать далее
6x6 мм для поверхностного монтажа, красная ручка тактового переключателя Читать далее
Новый материал SMD 12*12 IP67 Тактовый переключатель Читать далее
Правый угол тактный переключатель со светодиодом Читать далее
Красный Зеленый Желтый Оранжевый Синий Белый Светодиодный Кольцо Моментальный выключатель Читать далее
t125 / 55 DPST кнопочный выключатель с защелкой Читать далее
Кронштейн Tact Switch TaCtile Switch Dip Push-выключатель Читать далее
Авторские права © 2025 Wenzhou Gangyuan Electronics Co., Ltd.. Все права защищены. Власть
Поддерживается сеть IPv6